
射流分級機是將微米級以下的超細粉體特別是高端粉體材料進行精密分級處理,能夠提供其他形式的分級設備所不能達到的高性能分級效果,通過分級處理后能得到粒徑范圍更窄,峰值更高的三個以上不同粒度范圍的產品,大大提高粉體原料的附加價值;在金屬和非金屬領域里有廣泛的應用。那么射流分級機的分級原理和過程是什么呢?下面,博丹機電小編與大家分享下。
1、打開控制柜中的開關,啟動電源,設備運行;
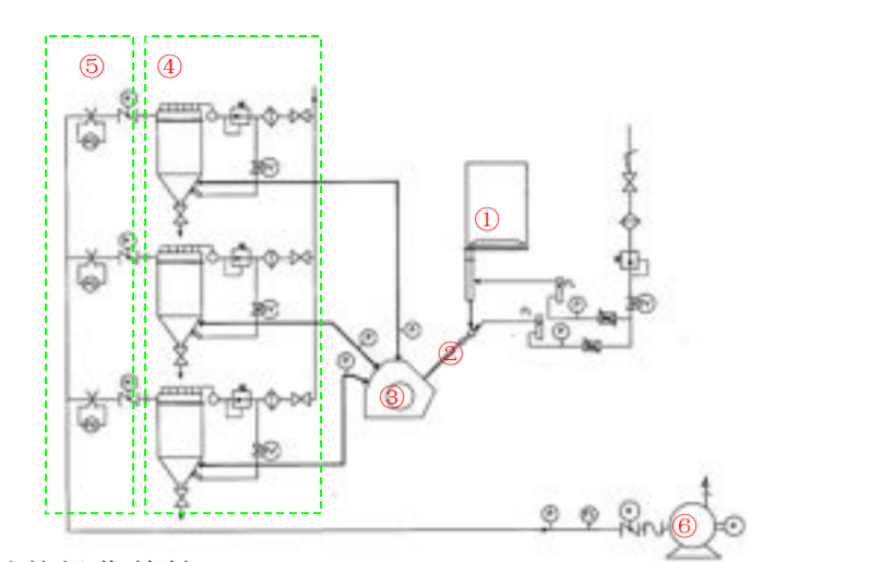
2、原料進入給料機(1)中;
3、原料經給料機進入有分散功能的給料噴射器(2)中;
4、原料經特殊分散后到達分級本體(3),通過氣流和重力等物理作用分級成三部分;
5、三個流道的氣流有控制閥組(5)調整保持各自的平衡;
6、分級后的粗中細產品被回收裝置(4)分別回收;
7、潔凈的空氣經有引風機(6)排入大氣中。
文章內容來源于氣流分級機:http://m.jiantuomei.com